林口三井捷運旗艦店(瀚宇不動產有限公司)
02-2600-7111
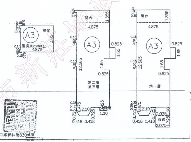
康橋✨【都鐸玫瑰】電梯別墅
物件編號:
S2945982
4398
萬
(含車位價)
別墅
5
房
3
廳
4
衛
物件特色
康橋✨【都鐸玫瑰】電梯別墅~邊間3面採光 鄰近林口高中及林口老街 鄰路~前庭院可出入停車 室內格局寬敞 採光通風極佳
地址
林口區隆林街
建物登記
74.73
坪
附屬建物
9.67 坪
公共設施
0.74 坪
停車場
0 坪
地下室
分項面積主建物
64.32 坪
土地登記總坪數
49.49 坪
管理費
元/每月
車位
私有/庭院車位
座向
座西北 朝東南
屋齡
19.6 年
樓高/樓別
3 /1-3
類別
住家
外牆建材
捷運站牌
市場
學區
公園
商圈
林口老街
私立康橋國際學校(小學部),市立林口國中
林口老街生活圈